Pompa pozioma Ebara PRN

Producent: EBARA
Ean:
Dostępność: wybierz wariant
Cena brutto: wybierz wariant
Cena netto: -
Dane techniczne
Producent: EBARA
Zakres wydatku [ m3/h ]: nie
Zakres ciśnienia [ m ]: nie
Zasilanie: nie
Gwarancja producenta: EBARA
Wykonanie wirnika: nie
Wykonanie obudowy: Mosiądz
PRN/E 0,50 M - (0,27 kW) Do 2 m3/h Do 40 m 230 V + Mosiądz niklowany EB 1150050100E 0 0 zł Produkt na zamówienie
Model
Maks. wydatek [m3/h]
Maks. ciśnienie [m]
Zasilanie
Uszczelnienie
Wysyłka

Pompa Ebara PRN

Pompa Ebara PRA jest pompą poziomą, z wirnikiem peryferalnym, a w przypadku jej odmiany (PRN 0,5) korpus pompy jest wykonany z żeliwa niklowanego.

Parametry hydrauliczne pompy i jej kompaktowe wymiary powodują, że pompa ta idealnie nadaje się do zastosowanie w warunkach domowych.

Pompa powinna być zainstalowana w zamkniętym, dobrze wentylowanym pomieszczeniu lub przynajmniej osłonięta przed niepogodą.
 

ZASTOSOWANIE

  • Zasilanie kotłów
  • Zasilanie zestawów hydroforowych
  • Użytek domowy
     

ZAKRES PRACY:

  • Napięcie: jednofazowe 230 V 50 Hz lub trójfazowe 400 V 50 Hz.
  • Temperatura tłoczonej cieczy: od +5 do +80 °C
  • Ciśnienie robocze maksymalne:
    • 6 bar dla PRA 0.5
    • 7,5 bar dla PRA 0.8
    • 12 bar dla reszty gamy
  • Stopień ochrony: IP44
  • Średnice nominalne przyłączy gwintowanych w zależności od typu:
    • 1"
       

CECHY I ZALETY:

  • Wirnik wykonany z mosiądzu
  • Uszczelnienie wykonane z węgiel/ceramika/NBR (standard)
  • Niewielka waga

silnik

wym1

Charakterystyka Ebara PRA-PRN
Charakterystyka Ebara PRA-PRN
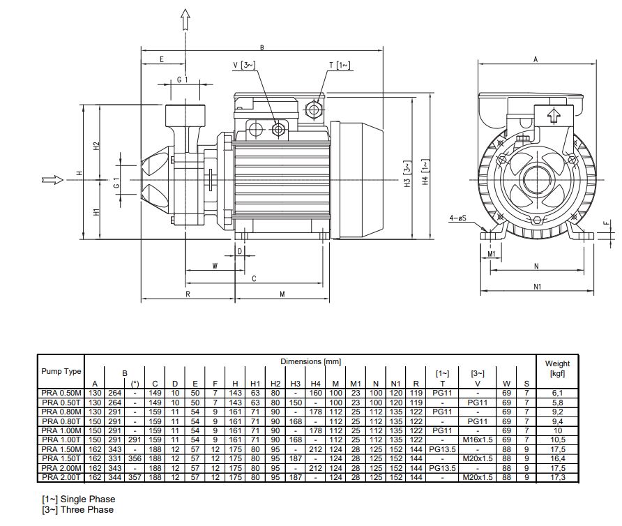
Tabela charakterystyk Ebara PRA-PRN
Tabela charakterystyk Ebara PRA-PRN